全國服務熱線
15853316916

產品簡介
隨著經濟、技術的發展,變頻器、不間斷電源、開關電源、節能燈等各種電力電子設備的應用日益廣泛,這些設備運行時向電網注入大量諧波電流,形成諧波污染,導致供、用電設施運行狀況惡化,功率因數降低,損耗增加。電力諧波治理已成為提高電能質量和電氣設備運行質量、節能降耗的重要手段。
安裝有源電力濾波器是電力諧波治理的有效方法,具有動態跟蹤、自適應運行、諧波治理徹底、節能效果顯著等突出優點。兒T-APF系列有源電力濾波器,是本公司采用國內外新技術和硏究成果,自主開發研制的一種用于動態抑制諧波、動態補償無功功率及三相功率平衡的新型電力電子裝置,它能對大小和頻率都變化的諧波 以及變化的無功功率進行補償,可以降低電網損耗、提高設備效率,改善電網質量, 其技術性能達到國際先進水平,是電力諧波及無功綜合治理設備的較好選擇。
下文簡稱"有源電力濾波器”為"APF",簡稱JLT-APF系列有源電力濾波器” 為"JLT"。
技術特點
高效率、低損耗
紋波交錯對消變流器專利技術,電流跟蹤速度高、紋波低、損耗低;
多DSP協同控制,控制精度高、速度快;
諧波濾除率高,對目標諧波,有效濾除能力可達97% ;
同時濾除多達20種諧波,最高可濾除至50次諧波;
低損耗微晶合金磁芯電抗器,噪聲低,效率高。
高功率密度,易安裝維護
變流器模塊化設計,功率密度高、安裝維護方便;
輸出容量大,單機輸出容量可達600A ;
可以多機并聯運行,滿足各種補償容量需求;
可選擇源電流或負載電流檢測方式,便于現場安裝
光纖驅動技術,抗干挑能力強;
多重保護功能,嚴格熱設計,確保系統運行安全可靠;
輸出容量滿載后自動限流,無過載之憂;
先進控制算法,適應各種復雜現場穩定運行,可與電容補償柜并聯運行;
全數字化、智能化控制,中英雙語液晶顯示;
故障自診斷功能,歷史事件紀錄功能。
多功能、多模式
諧波分次補償功能;
諧波無功綜合補償;
有功平衡補償功能;
計算機遠程監控功能。
儲存與運輸
在儲存與運輸中,應保持設備垂直狀態,杜絕傾倒、碰撞、劇烈震動,否則可能損害內部機械部件。
儲存運輸環境要求
環境溫度:-25 to 70°C (-13 to 158°F);
相對濕度:<95%
長期儲存要求與處理
設備長期儲存應做密封與防潮處理。
長期儲存后(超過3個月),投入運行前應先上電,使設備處于上電待機狀態10小時以上,使設備內的電解電容恢復額定耐壓值,再投入運行,以確保設備安全。
主要功能介紹
諧波濾除
JLT-APF由指令電流運算電路和補償電流發生電路兩個主 要部分組成。指令電流運算電路實時監視線路中的電流,并將模擬電流信號轉換為數字信號,送入高速數字信號處理器 (DSP )對信號進行處理,將諧波與基波分離,并以脈寬調制(PWM)信號形式向補償電流發生電路送出驅動脈沖,驅動IGBT功率模塊,生成與諧波電流幅值相等、極性相反的補 償電流注入電網,對諧波電流進行補償或抵消,主動消除電力諧波,從而實現對電力諧波的動態、快速、徹底治理。
動態無功補償
JLT-APF在濾波的同時,其指令運算電路可根據檢測到的無功補償需求,控制其內部的補償電流發生電路輸出容性和感性的基波電流,實時進行補償,無功補償的目標值可以通過操作面板設定。
三相不平衡校正
JLT-APF可對不平衡的三相無功功率分別進行補償,并可通過設備中三相共用的直流儲能系統對三相電路中的有功功率進行相間調節,從而對三相不平衡負載進行平衡校正。該功能的投入也可通過操作面板來設定。
工作模式設定
JLT-APF有四種工作模式可以設定:"濾波優先"、"無功優先”、"只濾諧波"、"只補無功" 。用戶可根據配電系統的具體情況靈活選擇工作模式
諧波分次補償
可根據配電狀況及用戶要求,設定諧波補償次數。

APF的工作原理

APF由指令電流運算電路和補償電流發生電路兩個主要部分組成。指令電流運算電路實時監視負載電流,并將模擬電流信號轉換為數字信號,送入高速數字信號處理器(DSP )對信號進行處理,將諧波與基波分離,得到指令電流,并通過電流 跟蹤控制電路和驅動電路,以脈寬調制(PWM )信號形式向補償電流發生電路送出驅動脈沖,驅動IGBT或IPM功率模塊, 生成與諧波電流幅值相等、極性相反的補償電流注入電網,對諧波電流進行補償或抵消,主動消除電力諧波,從而實現對電力諧波的動態、快速、徹底治理。
APF還可以根據需要進行動態無功補償,三相不平衡補償,實現諧波、無功綜合治理。
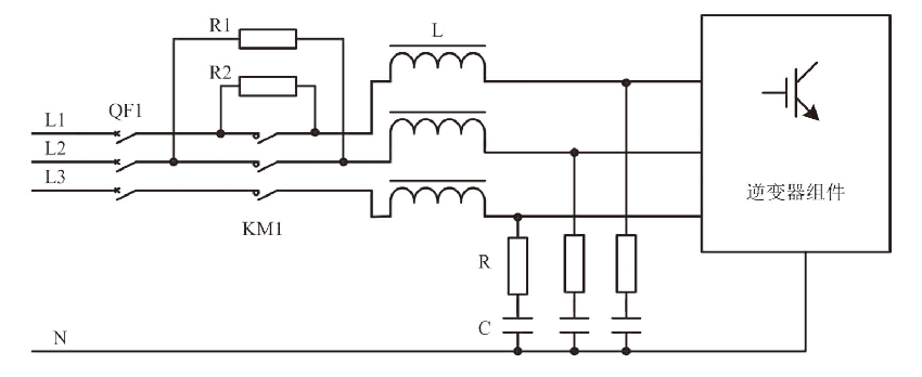
主回路原理示意圖

QF1為輸入保護斷路器,L、R、C構成開關紋波濾波器,消除開關紋波。KM1為輸入緩沖接觸器,減輕上電時電網電壓對直流母線電容器的沖擊。對于三線制濾波器,中線N不連接。

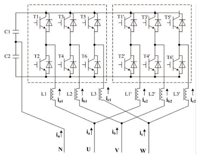
逆變器采用兩個相同的三相全橋逆變器并聯,提高了設備容量;IGBT驅動采用PWM開關交錯紋波對消技術,大大降低了輸出紋波。輸出電流見X圖 4X。從圖中看出,經過PWM開關交錯技術,ial與ia2合成后的輸出電流ia的紋波大大降低,少量的剩余紋波電流經開關紋波濾波器濾除。
JLT-APF型號說明

產品規格表
以下規格表僅供參考,規格型號及外型尺寸會隨時改進,請與供應商聯系確認。
