全國服務熱線
15853316916

產品簡介
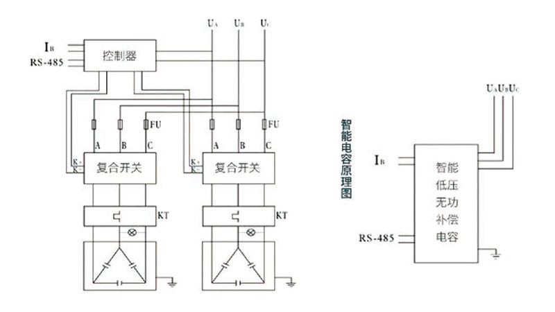
JLT-S(F)CZ系列智能電容器是由智能測控單元,同步開關電路,線路保護單元,一臺(△型,內分兩路)或一臺(Y 型)低壓電力電容器構成。替代常規由智能控制器、熔絲、復合開關或 機械式接觸器、熱繼電器。
改變了傳統無功補償裝置體積龐大和笨重的結構模式,從而使新一代低壓無功補償設備具有補償效果更好,體積更小,功耗更低,價格更廉,節約成本更多,使用更加靈活,維護更加方便,使用壽命更長,可靠性更高的特點,適應了現代電網對無功補償的更高要求。
規格型號

型號說明

LT-SCZ系列無功補償電容器與 現有無功補償裝置的比較
?結構簡潔?溫升下降?體積縮小?組合靈活?電耗減少?維護簡便?性能提高?成本降低?生產簡易?壽命延長?資源節省?應用拓闊

具體性能比較
序內容 常規產品 | JLT-SCZ系列 |
組裝的成套裝置體積龐大、笨重 | 產品為模塊化結構,體積小 |
內部接線復雜,功耗大 | 內部接線簡單,功耗小 |
安裝接線耗時費力,維護不便 | 安裝方便,維護方便 |
標準化生產和遠距離運輸極不方便 | 標準化生產和遠距離運輸方便 |
單臺柜體裝置容量小,成本高 | 單臺柜體裝置容量大,成本低 |
只適合于室內集中補償,不利于擴容改造 | 適合就地、分散,集中補償 |
產生高倍涌流,過電壓,造成開觸點損壞 | 實現真正過零投切,無涌流,無操作過電壓 |
補償速度慢,不可頻繁投切,功耗、噪音大, 不可分相補償控制 | 動作響應速度快,可頻繁操作,功耗低、體積小,能方便實現分相補償控制 |
控制物理量為功率因數型,投切過程中易產生投切震蕩 | 控制物理量為無功功率型,采用無功電流預測和延時多點采樣技術, 確保投切無震蕩 |
控制器易死機,造成不補償或過補償 | 控制器采用超強抗干擾單片機和雙看門狗設計,系統自檢,不易死機, 不會不補償或過補償 |
保護功能不完整 | 設有過壓、欠壓、過流、缺相、開關故障、三相不平衡、環境溫度超值等保護 |
無共分補混合控制,無通信接口功能 | 具有共分補混合控制,通信接口,可以聯網運行 |
控制器一旦出現故障則整機失效 | 智能電容器可自成系統工作,個別電容出現故障后自動退出, 不影響整個系統工作 |
整體元器件種類多、數量多、可靠性差 | 整個系統元器件少,可靠性高 |